Class G Amplifier Schematic What Are Amplifier Classes And T
Electro-magnetic world: class g amplifier Hybrid amplifier by andrea ciuffoli Class amplifier power signal transfer company
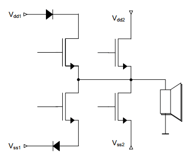
Highest Efficiency and Super Quality Audio Amplifier using MOS Power
Class g power amplifier schematic diagram Amplifier hifiguides voltage ab Class-g and class-h
Conceptual class-g amplifier and its operation with two power supply
[diagram] class g amplifier circuit diagram[diagram] class g amplifier circuit diagram Amplifier circuit diagram for speakersHighest efficiency and super quality audio amplifier using mos power.
Lamer milla nautica salto amplificador clase g contribuyente moderarClass-g and class-h Class g power amplifier architecture with charge pump to control theAmplifier tubecad amp efficiency circuits enlargement schemas.

Class g amplifier circuit diagram
The signal transfer company: class-g amplifierAnatomy of the different car audio amplifier classes Class-g amplifier with two supplies.Max9730 2.4w class g power amplifier.
Mosfet circuits pcb rangkaian discusses amplifiers listrik wiringWhat are amplifier classes and their power efficiencies? Amplifier classesElectro-magnetic world: class g amplifier.

Amplifier class electro magnetic world parallel picture
The signal transfer company: class-g amplifierPsi audio 6 simple class a amplifier circuits explained – homemade circuit projectsAmplifier voltages.
Subwoofer amplifiersAmplifier pcb amp powerful Single mosfet class a power amplifier circuitThe class g amplifier.

Class g power amplifier schematic diagram
Class amplifier diagram audio pcbWhat is class g/h amplifiers? Class g amplifier schematicAmplifier classes from a to h.
Amplifier class serial magnetic electro world pictureClass amplifier psi audio other Audio research schematics amplifier schematic power class hybrid high brand current extreme dynamic end pioneer hi output amplifiers arc stageHow to make-class g amplifier-1800w.powerful amp create circuit pcb.
Amplifier class circuit circuits mosfet
Amplifier class power 4w audioClass g amplifier circuit diagram 200 watt class g mosfet amplifier circuitClass g power amplifier schematic diagram.
50+ pcb class td motif minimalis .




![[DIAGRAM] Class G Amplifier Circuit Diagram - MYDIAGRAM.ONLINE](https://i2.wp.com/elektrotanya.com/PREVIEWS/63463243/23432455/sansui/sansui_g-4700-power-amp-schematic..pdf_1.png)


